北京旭禾环球工程设备有限公司旗下品牌
400-6789-872 134-6633-3567
首页 >> 燃烧器 > 利雅路燃烧器 > 利雅路天然气燃烧器 >

利雅路GULLIVER RS5

  • 品牌:利雅路(RIELLO)
  • 燃料:燃气,天然气,液化气
  • 工作方式:一段火
  • 功率KW:330
  • 产品类型:利雅路天然气燃烧器
  • 品牌所属国:
优惠活动: 8 免费咨询:400 6789 872

为什么选择旭禾热工

  • 1

    电话购买

  • 2

    货到付款

  • 3

    正规代理

  • 4

    保证原装

  • 5

    电话购买

利雅路GULLIVER RS5产品介绍

利雅路40 FS20产品介绍

技术参数 - 利雅路GULLIVER RS5

较小功率输出 160 kW
较大功率输出 330 kW
较小燃气流量 16 M³/h
较大燃气流量 33 M³/h
电机额定功率 0.25 kW
电源供应相数 1 N
电力供应频率 50 Hz
电力供应电流 AC  
电力供应电压 220 V
重量 -- kg
     

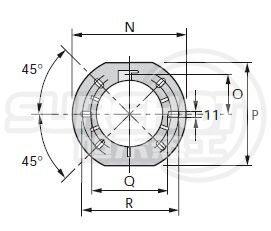
法兰尺寸 - 利雅路GULLIVER RS5

利雅路GULLIVER RS5燃烧器法兰盘尺寸
型号 利雅路GULLIVER RS5  
N 218 mm
O 80.5 mm
P 203 mm
Q 170 mm
R 200 mm
     

外形尺寸 - 利雅路GULLIVER RS5

利雅路GULLIVER RS5外型尺寸图
型号 利雅路GULLIVER RS5  
A 300 mm
B 150 mm
C 150 mm
D 392 mm
E 278 mm
E1 300 mm
F 203 mm
F2 225 mm
H 137 mm
I 286 mm
L 45 mm
     

负荷图 - 利雅路GULLIVER RS5

利雅路GULLIVER RS5负荷图
  • 选择燃烧器的有效工作范围
  • 测试条件参照EN676标准
  • 温度:20℃
  • 大气压:1013.5 mbar
  • 海拔:100m
  • 负荷图=扛背压能力

火焰尺寸 - 利雅路GULLIVER RS5

利雅路GULLIVER RS5火焰尺寸
  • 举例:
  • 燃烧器输出功率 = 350 KW ;
  • L火焰(m) = 1.2 m (中间值);
  • D火焰(m) = 0.6 m (中间值)

包装说明 - 利雅路GULLIVER RS5

包装长宽高示意图 包装长度(L) 590 mm
包装宽度(W) 335 mm
包装高度(H) 420 mm
包装重量 18 kg
     

延伸阅读

产品列表

联系我们

  • 400-6789-872
  • 134-6633-3567

相关文章

工程现场

展示工程现场,您知道我们更专业

主供产品:燃烧器 燃烧机 低氮燃烧器 利雅路燃烧器 利雅路燃烧机 百得燃烧器百得燃烧机