北京旭禾环球工程设备有限公司旗下品牌
400-6789-872 134-6633-3567
首页 >> 燃烧器 > 利雅路燃烧器 > 利雅路柴油燃烧器 >

利雅路GULLIVER RG5D

  • 品牌:利雅路(RIELLO)
  • 燃料:柴油
  • 工作方式:二段火,普通二段火
  • 功率KW:296
  • 产品类型:利雅路柴油燃烧器
  • 品牌所属国:
优惠活动: 8 免费咨询:400 6789 872

为什么选择旭禾热工

  • 1

    电话购买

  • 2

    货到付款

  • 3

    正规代理

  • 4

    保证原装

  • 5

    电话购买

利雅路GULLIVER RG5D产品介绍

利雅路40 FS20产品介绍

技术参数 - 利雅路GULLIVER RG5D

较小功率输出 95 kW
较大功率输出 296 kW
较小燃油流量 8 KG/h
较大燃油流量 25 KG/h
20℃时燃料粘度 4÷6 mm2/s(cSt)
电机额定功率 0.47 kW
电源供应相数 1 N
电力供应频率 50 Hz
电力供应电流 AC  
电力供应电压 220 V
重量 -- kg
     

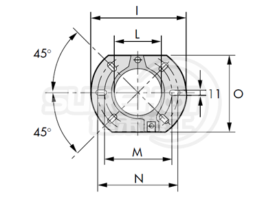
法兰尺寸 - 利雅路GULLIVER RG5D

利雅路GULLIVER RG5D法兰尺寸
型号 利雅路GULLIVER RG5D  
I 213 mm
L 127 mm
M 160 mm
N 190  
O 198  
     

外形尺寸 - 利雅路GULLIVER RG5D

利雅路GULLIVER RG5D外形尺寸
型号 利雅路GULLIVER RG5D  
A 300 mm
D 345 mm
E 247 mm
F 159 mm
H 125 mm
I 285 mm
L 12,5 mm
     

负荷图 - 利雅路GULLIVER RG5D

利雅路GULLIVER RG5D负荷图
  • 选择燃烧器的有效工作范围
  • 测试条件参照EN676标准
  • 温度:20℃
  • 大气压:1013.5 mbar
  • 海拔:100m
  • 负荷图=扛背压能力

    火焰尺寸 - 利雅路GULLIVER RG5D

    利雅路GULLIVER RG5D火焰尺寸
    • 举例:
    • 燃烧器输出功率 = 350 KW ;
    • L火焰(m) = 1.2 m (中间值);
    • D火焰(m) = 0.6 m (中间值)

    包装说明 - 利雅路GULLIVER RG5D

    包装长宽高示意图 包装长度(L) 500 mm
    包装宽度(W) 335 mm
    包装高度(H) 430 mm
    包装重量 18 kg
         

    延伸阅读

    产品列表

    联系我们

    • 400-6789-872
    • 134-6633-3567

    相关文章

    工程现场

    展示工程现场,您知道我们更专业

    主供产品:燃烧器 燃烧机 低氮燃烧器 利雅路燃烧器 利雅路燃烧机 百得燃烧器百得燃烧机