全部原厂设备及配件 敢于承诺
燃烧率达 99% 使用更节能
全自动运行检测 无需人工看守
常年连续使用 故障率极低
电话购买
货到付款
正规代理
保证原装
电话购买
| 较小功率输出 | 1364 | kW |
| 较大功率输出 | 4151 | kW |
| 较小燃油流量 | 115 | KG/h |
| 较大燃油流量 | 350 | KG/h |
| 较大燃料粘度 | 1.5 | °E |
| 电机额定功率 | 9 | kW |
| 电源供应相数 | 3 | N |
| 电力供应频率 | 50 | Hz |
| 电力供应电流 | AC | |
| 电力供应电压 | 400 | V |
| 重量 | 335 | kg |
![]() |
||
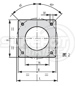
| 型号 | 百得BT350 DSPG | |
| M | M20 | mm |
| N | 365 | mm |
| L | 400-540 | mm |
| 图号 | 2 | |
![]() |
||
| 型号 | 百得BT350 DSPG | |
| A | 1345 | mm |
| B1 | 750 | mm |
| B2 | 260 | mm |
| C | 1900 | mm |
| D | 275-500 | mm |
| E | 360 | mm |
| F | 275 | mm |
| I | 400 | mm |
| I1 | 440 | mm |

![]() |
包装长度(L) | 2030 | mm |
| 包装宽度(W) | 1210 | mm | |
| 包装高度(H) | 990 | mm | |
| 包装重量 | 350 | kg | |
2018-04-18
2018-03-12
2018-03-12
2018-03-05
2018-03-05
2018-03-05
2018-02-07
2018-02-07
展示工程现场,您知道我们更专业