北京旭禾环球工程设备有限公司旗下品牌
400-6789-872 134-6633-3567
首页 >> 燃烧器 > 百得燃烧器 > 百得柴油燃烧器 >

百得GI350 DSPG

  • 品牌:百得(BALTUR)
  • 燃料:柴油
  • 工作方式:一段火,二段火,二段火渐进式
  • 功率KW:4151
  • 产品类型:百得柴油燃烧器
  • 品牌所属国:
优惠活动: 8 免费咨询:400 6789 872

为什么选择旭禾热工

  • 1

    电话购买

  • 2

    货到付款

  • 3

    正规代理

  • 4

    保证原装

  • 5

    电话购买

百得GI350 DSPG产品介绍

利雅路40 FS20产品介绍

技术参数 - 百得GI350 DSPG

较小功率输出 1581 kW
较大功率输出 4743 kW
较小燃油流量 133 KG/h
较大燃油流量 400 KG/h
较大燃料粘度 1.5 °E
电机额定功率 20.7 kW
电源供应相数 3 N
电力供应频率 50 Hz
电力供应电流 AC  
电力供应电压 400 V
重量 540 kg
     

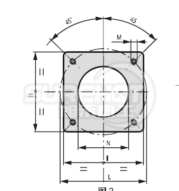
法兰尺寸 -百得GI350 DSPG

百得GI350 DSPG法兰尺寸
型号 百得GI350 DSPG  
M M20 mm
N 260 mm
L 400-540 mm
I 580 mm
I1 - mm
     

外形尺寸 - 百得GI350 DSPG

百得GI350 DSPG外形尺寸
型号 百得GI350 DSPG  
A 1345 mm
B1 750 mm
B2 260 mm
C 1900 mm
D 275-560 mm
E 360 mm
F 275 mm
     

负荷图 - 百得GI350 DSPG

百得GI350 DSPG负荷图
  • 选择燃烧器的有效工作范围
  • 测试条件参照EN676标准
  • 温度:20℃
  • 大气压:1013.5 mbar
  • 海拔:100m
  • 负荷图=扛背压能力

火焰尺寸 - 百得GI350 DSPG

百得GI420 DSPG
  • 举例:
  • 燃烧器输出功率 = 350 KW ;
  • L火焰(m) = 1.2 m (中间值);
  • D火焰(m) = 0.6 m (中间值)

包装说明 - 百得GI350 DSPG

包装长宽高示意图.gif 包装长度(L) 2270 mm
包装宽度(W) 1250 mm
包装高度(H) 1600 mm
包装重量 580 kg
     

延伸阅读

产品列表

联系我们

  • 400-6789-872
  • 134-6633-3567

相关文章

工程现场

展示工程现场,您知道我们更专业

主供产品:燃烧器 燃烧机 低氮燃烧器 利雅路燃烧器 利雅路燃烧机 百得燃烧器百得燃烧机