北京旭禾环球工程设备有限公司旗下品牌
400-6789-872 134-6633-3567
首页 >> 燃烧器 > 百得燃烧器 > 百得柴油燃烧器 >

百得SPARK 18DSGW

  • 品牌:百得(BALTUR)
  • 燃料:柴油
  • 工作方式:二段火,普通二段火
  • 功率KW:261
  • 产品类型:百得柴油燃烧器
  • 品牌所属国:
优惠活动: 8 免费咨询:400 6789 872

为什么选择旭禾热工

  • 1

    电话购买

  • 2

    货到付款

  • 3

    正规代理

  • 4

    保证原装

  • 5

    电话购买

百得SPARK 18DSGW产品介绍

利雅路40 FS20产品介绍

技术参数 - 百得SPARK 18DSGW

较小功率输出 110 kW
较大功率输出 213 kW
较小燃油流量 10.5 KG/h
较大燃油流量 22 KG/h
较大燃料粘度 1.5 °E
电机额定功率 0.25 kW
电源供应相数 1 N
电力供应频率 50 Hz
电力供应电流 AC  
电力供应电压 220 V
重量 33 kg
     

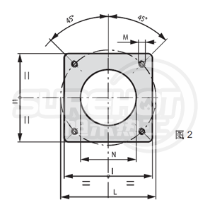
法兰尺寸 - 百得SPARK 18DSGW

百得SPARK 18DSGW燃烧器法兰图
型号 百得SPARK 18DSGW  
I 185 mm
I1 185 mm
170-210 mm
M M10  
N 135 mm
     

外形尺寸 - 百得SPARK 18DSGW

百得SPARK 18DSGW燃烧器外型尺寸图
型号 百得SPARK 18DSGW  
A 450 mm
B1 262.5 mm
B2 92.5 mm
C 710 mm
D 105-300 mm
E 117 mm
F 114 mm
     

负荷图 - 百得SPARK 18DSGW

百得SPARK 18DSGW燃烧器负荷图
  • 选择燃烧器的有效工作范围
  • 测试条件参照EN676标准
  • 备注 : 以上工作范围曲线是按照EN676标准在测试用锅炉上得到的,对于燃烧器在实际的锅炉上的应用,该曲线仅起指导作用,有时并不严格准确。

火焰尺寸 - 百得SPARK 18DSGW

百得SPARK 18DSGWky4Gr54Sw5bC65a+4" src="http://www.surehot.com/uploadfile/2014/0606/20140606052838472.jpg" style="width: 700px; height: 641px; font-size: 12px" ul="" />
  • 举例:
  • 燃烧器输出功率 = 350 KW ;
  • L火焰(m) = 1.2 m (中间值);
  • D火焰(m) = 0.6 m (中间值)

    包装说明 - 百得SPARK 18DSGW

    包装长宽高示意图.gif 包装长度(L) 650 mm
    包装宽度(W) 500 mm
    包装高度(H) 380 mm
    包装重量 36 kg
         

    延伸阅读

    产品列表

    联系我们

    • 400-6789-872
    • 134-6633-3567

    相关文章

    工程现场

    展示工程现场,您知道我们更专业

    主供产品:燃烧器 燃烧机 低氮燃烧器 利雅路燃烧器 利雅路燃烧机 百得燃烧器百得燃烧机